By Texas Instruments 1391
ULN2003ADR is an NPN transistor driver chip in a dual row 16-pin package. The chip is internally composed of seven silicon NPN Darlington tubes and a cancellation coil back electromotive force diode. It has the characteristics of high current gain, high operating voltage, wide temperature range, and strong band load capacity. It is a driver chip with open collector output, and its output current is extremely large, up to 200mA. At the same time, the output port of the chip has high strength and high reliability, and can directly drive relays and low-voltage lines.
The biggest feature of ULN2003ADR is its resistance to high voltage and large current. The chip collector current is 500mA, the output voltage is 50V, the input voltage is 30V, and the terminal current is 2.5A. The chip storage temperature range is between 65°C and 150°C, the operating temperature range is between 20°C and 70°C, and the operating limit temperature is 150 degrees. Different packaging types are used in different temperature ranges. When the temperature range is between 20°C and 70°C, the chip is packaged in SOIC, which requires 2500 reels; when the temperature range is between 40°C and 85°C, Using PDIP packaging, 40 electron tubes are required for packaging.
ULN2003ADR is a 7-channel high voltage, high current extreme switch array, usually used to drive relays, stepper motors and other applications that require high current drive.

Ⅰ.Specification parameters of ULN2003ADR
•Interface:parallel connection
•Number of pins:16
•Package:Reel
•Number of outputs:7
•Drives/packages:7
•Configuration:Array 7
•Output voltage:50 V
•Output current:0.5 A
•Input voltage:30 V
•Output configuration:low-end
•Transistor polarity:NPN
•Product life cycle:Active
•Installation style:SMD/SMT
•Minimum operating temperature:-20℃
•Maximum operating temperature:+70℃
•Height:1.58 mm
•Length:9.9 mm
•Width:3.91 mm
•Ratio-Input:Output:1:1
•Output type:Darlington transistor
•Product Category:Darlington Transistor
•Maximum allowable collector current:0.5A
•Package/Case:SOIC-Narrow-16
•Maximum DC collector current:500 mA
•Collector-emitter maximum voltage VCEO:50 V
Ⅱ.Working principle of ULN2003ADR
1.Input signal: When an input signal (usually a low-level logic signal) is applied to the input pin of ULN2003ADR, the switch tube is activated. Each input pin corresponds to a switch tube.
2.Drive the load: When the switch tube is activated, it will conduct and energize the load (such as relay, motor, etc.) connected to its output port. The ULN2003ADR also contains a driver-free diode internally to provide a reverse current path to protect the driver and controller when the load reverse voltage is generated.
3.Darlington connection: Each switch tube uses a Darlington connection, which means that it is composed of two NPN transistors cascaded. This connection provides high current gain and low drive current requirements.
4.Protection functions: ULN2003ADR also has some protection features, including over-current protection, over-temperature protection, etc., to ensure that it can still work reliably under harsh conditions.
5.High voltage, high current: ULN2003ADR is designed to withstand higher voltage and current. Therefore, it can be used to drive large motors, relays and other loads that require larger power.
Ⅲ.Main features and functions of ULN2003ADR
1.Built-in protection functions: ULN2003ADR has built-in protection functions such as over-current protection and over-temperature protection, which can ensure the safe operation of the chip and load under various working conditions.
2.Low power consumption and low saturation voltage: The chip has low power consumption characteristics, which helps reduce system energy consumption and heat generation, and has a lower saturation voltage, which improves the efficiency of the circuit.
3.Strong load capacity: Each output port of ULN2003ADR can provide up to 500mA current, allowing it to drive high-load inductive devices.
4.Multiple packaging types: ULN2003ADR provides a variety of packaging types, including SOIC, PDIP, etc., to facilitate design and layout in different applications.
5.External component control function: The output of ULN2003ADR can be controlled through external resistors, capacitors and other components to achieve more complex control functions. For example, the output current can be adjusted through an external resistor, and functions such as debounce can be achieved through an external capacitor.
6.Open collector output: ULN2003ADR adopts open collector output, which means that its output port can be directly connected to the load device without the need for additional resistors or drivers.
7.High current gain: ULN2003ADR integrates seven Darlington transistors. Each transistor has high current gain, which can amplify smaller input signals to drive high-load inductive devices, such as relays, solenoid valves, Stepper motors, etc.
8.Darlington connection: Each switch tube adopts Darlington connection, which provides higher current gain and lower drive current requirements, helping to improve overall performance and efficiency.
9.Built-in driver-free diode: ULN2003ADR integrates a driver-free diode to protect the switch tube and driver, and to provide a reverse current path for inductive loads.
10.High operating voltage and wide temperature range: ULN2003ADR has a wide operating voltage range and can operate stably at higher voltages. At the same time, its storage temperature range is between -65°C and +150°C, and its operating temperature range is between 0°C and 70°C, which allows it to work stably in various harsh environments.
11.Overcurrent protection and overheating protection functions: ULN2003ADR has overcurrent protection and overheating protection functions, which can protect the load and the driver itself from damage. When the load current exceeds the rated value, the driver will automatically shut down the output to prevent overcurrent. At the same time, when the internal temperature of the driver is too high, the output will be automatically turned off to prevent overheating.
Ⅳ.Steps for correct use and connection of ULN2003ADR
1.Power supply connection: ULN2003ADR requires an appropriate power supply. Make sure the voltage of the power supply meets the specifications of the chip, generally 5V to 50V. When connecting the power supply, pay attention to the correct polarity to avoid damaging the chip.
2.Input signal connection: The input port of ULN2003ADR is used to receive control signals, usually from microcontrollers, digital logic circuits or other drivers. The level of the input signal should comply with the chip's specifications and require appropriate protection measures to prevent electrostatic breakdown or overvoltage damage.
3.Load connection: The output port of ULN2003ADR is connected to the load, such as relay, stepper motor, etc. Make sure the voltage and current of the load do not exceed the chip specifications to avoid damage to the chip. At the same time, pay attention to the correct wiring of the load to ensure that it is correctly connected to the output port of ULN2003ADR and that the connection is reliable.
4.Ground connection: The ground pin of ULN2003ADR should be connected to the system ground wire to ensure the correct ground reference of signals and power.
5.Thermal management: ULN2003ADR may generate more heat under high current loads. Appropriate heat dissipation measures, such as heat sinks, fans, etc., need to be considered in the design to ensure that the chip operates within a safe temperature range.
6.Overcurrent protection: When using ULN2003ADR, be careful that the load current does not exceed the chip's maximum current capability. If greater load current capability is required, consider connecting multiple ULN2003ADR chips in parallel or using an external power amplifier.
7.Wiring and PCB design: When connecting ULN2003ADR, pay attention to the rationality and neatness of the wiring, and minimize line length and interference. For PCB design, factors such as the separation of signals and power, and good connection of ground wires should be considered to ensure the stability and reliability of the circuit.
Ⅴ.Absolute Maximum Ratings of ULN2003ADR
at 25°C free-air temperature (unless otherwise noted)

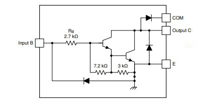
Ⅵ.Functional Block Diagrams of ULN2003ADR

Ⅶ.Application scenarios of ULN2003ADR
1.Automation equipment: ULN2003ADR can be used to control and drive various automation equipment, such as vending machines, automatic access control systems, automated production lines, etc.
•Vending machines: In vending machines, ULN2003ADR can be used to drive coin and banknote receiving modules, as well as commodity dispensing modules. For example, it can be used to drive coin and banknote validators, or drive the rotation of motors to dispense merchandise.
•Automatic access control system: In the automatic access control system, ULN2003ADR can be used to drive electromagnetic locks or electric doors. When receiving the door opening signal, ULN2003ADR will provide enough current to drive the electromagnetic lock or electric door to open.
•Automated production line: In automated production lines, ULN2003ADR can be used to drive various actuators, such as conveyor belts, manipulators, stepper motors, etc. It can ensure the stable operation of these actuators by providing stable current and voltage, thereby improving the efficiency and stability of the production line.
2.Lighting control: ULN2003ADR can be used to control light switches, LED lighting systems, etc., and is suitable for home lighting, stage lighting, landscape lighting and other scenarios.
•Home lighting: In home lighting systems, ULN2003ADR can be used to control main lights, wall lights, table lamps, etc. Through microcontrollers or other control devices, functions such as light timing switching, brightness adjustment, and color temperature adjustment can be realized to improve the comfort and energy saving of home lighting.
•Stage lighting: In stage performances, lighting effects are crucial to creating an atmosphere and highlighting the theme. ULN2003ADR can be used to drive and control various stage lighting fixtures, such as follow lights, wash lights, spotlights, etc. Through programming control, effects such as flashing, gradient, and jumping of lights can be achieved, bringing a shocking visual experience to the audience.
•Landscape lighting: In urban landscape lighting, ULN2003ADR can also play an important role. It can be used to drive and control various outdoor lighting fixtures, such as street lights, underground lights, floodlights, etc. Through the intelligent control system, functions such as automatic switching of lights, brightness adjustment, and color change can be realized, adding charm to the city's night scene.
3.Power tools: ULN2003ADR can be used to control and drive various power tools, such as electric drills, electric saws, electric wrenches, etc. These power tools usually require larger currents and higher voltages to drive, and ULN2003ADR is an ideal choice.
4.Temperature control system: ULN2003ADR can be used to control temperature sensors, heating elements, etc., and is suitable for temperature control equipment such as thermostats, air conditioning systems, and heaters. In temperature control systems, temperature sensors (such as thermistors, thermocouples or integrated circuit temperature sensors) are used to detect temperature and transmit this information to a controller (such as a microcontroller or dedicated temperature control IC). The controller generates a control signal based on the difference between the set temperature and the actual temperature. This signal is usually used to adjust the power output of the heating element to maintain a constant temperature.
5.Digital tube driver: The digital tube is a common display device. ULN2003ADR can be used to drive the digital tube, providing stable current and voltage to ensure the normal display of the digital tube. Nixie tube is a commonly used display device, widely used in various electronic devices, such as timers, electronic scales, thermometers, etc. In order to drive a digital tube, it is usually necessary to provide appropriate current and voltage to ensure that the digital tube can emit light normally and display the required numbers or letters.
6.Electric vehicles: ULN2003ADR can be used in control systems in electric vehicles, such as electric vehicle drive control, vehicle management systems, etc.
•Drive control of electric vehicles: In the drive control system of electric vehicles, ULN2003ADR can be used to drive high-current switches in motor controllers. The motor controller is responsible for receiving instructions from the vehicle control unit (VCU) and converting these instructions into the current and voltage required to drive the motor. The high current capability of the ULN2003ADR makes it an ideal choice in motor drive circuits, especially where fast response and precise control are required.
•Vehicle Management System: The Vehicle Management System (VMS) is responsible for monitoring and managing various parameters of electric vehicles, such as battery status, motor temperature, vehicle speed, etc. In this system, ULN2003ADR can be used to drive sensors and actuators such as relays, valves, etc. These devices may require higher currents to activate, and the ULN2003ADR can provide the required current and ensure stable operation. •
•Safety and reliability: In electric vehicles, safety and reliability are crucial. The rugged design and high reliability of the ULN2003ADR enable it to operate stably for a long time in harsh working environments, which is very important for electric vehicles. In addition, since the ULN2003ADR has an overheating protection function, it is able to automatically shut down the output when overheated, thereby protecting the circuit from damage.
7.Stepper motor drive: ULN2003ADR can be used to drive various stepper motors, such as printers, CNC machine tools, medical equipment, robots, etc.
8.Relay drive: ULN2003ADR can be used to control and drive various types of relays, such as electrical control systems in industrial automation, vehicle control units in automotive electronics, etc. A relay is an electrical switching device that switches a larger load current with a smaller control current.
9.Driver of control circuits such as microcontrollers, smart meters, and PLCs: ULN2003ADR can be used as an output driver for control circuits such as microcontrollers, smart meters, and PLCs, and is used to drive load equipment such as relays and solenoid valves.
Ⅷ.Measures to ensure reliable operation of ULN2003ADR
1.Correct connection method: Make sure the connection method between ULN2003ADR and other electronic components is correct. Follow the pinout and connection guidelines provided by the manufacturer to avoid incorrect connections that may cause damage or malfunction of the device.
2.Heat dissipation management: ULN2003ADR may generate a certain amount of heat during operation. If the ambient temperature is high or the load is large, it is recommended to take appropriate heat dissipation measures, such as installing a heat sink or fan, to maintain the normal operating temperature of the chip.
3.Suitable power supply: ULN2003ADR requires a stable power supply. It is recommended to use an appropriate power supply filter or voltage regulator to reduce the impact of power supply noise and fluctuations on the ULN2003ADR.
4.Proper load matching: The output current and voltage capabilities of ULN2003ADR are limited. When selecting loads (such as relays, motors, etc.), ensure that their current and voltage requirements match the specifications of the ULN2003ADR. Exceeding specifications may result in equipment damage.
5.Protection circuit: Add appropriate protection circuits to the output of ULN2003ADR, such as overcurrent protection, overvoltage protection, etc., to prevent damage to ULN2003ADR due to load failure or abnormal operation.
6.Input signal quality: Ensure that the input signal provided to ULN2003ADR is of good quality. Avoid using signals with noise or jitter, which may affect the normal operation of the ULN2003ADR.
7.Testing and verification: ULN2003ADR is tested and verified before actual application. Through testing, it can be ensured that ULN2003ADR can work normally under various working conditions, and potential problems can be discovered and solved in time.
Frequently Asked Questions
1.What are the advantages of using ULN2003ADR in electronic circuits?
The advantages of using ULN2003ADR include its high-voltage and high-current capabilities, low power consumption, built-in protection features, and ease of use in driving various loads.
2.How does ULN2003ADR function?
ULN2003ADR functions by receiving input signals to its seven input pins, which activate the corresponding Darlington transistor arrays. These arrays then amplify the input signals to drive connected loads such as relays or motors.
3.What precautions should be taken when using ULN2003ADR?
Precautions when using ULN2003ADR include ensuring correct power and ground connections, avoiding input signal levels beyond the specified range, protecting against overcurrent, managing heat dissipation, protecting against reverse voltage, and following proper wiring and PCB design practices.