By Monolithic Power Systems 1844

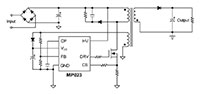
MPS's MP023 is an offline, primary-side controller that provides accurate, constant voltage and constant current regulation without the need of an optocoupler or secondary feedback circuit. It uses an integrated 700 V current source to achieve quick start-up.
The MP023's variable off-time control allows its flyback converter to operate in discontinuous conduction mode (DCM). Its current limit and maximum secondary duty cycle are programmable, making the output current easily set. The FB voltage sensing point is also programmable and is able to set different switching frequencies.
The internal high-voltage start-up current source and power-saving technologies limit the no-load power consumption to less than 30 mW. Full protection features include VCC under voltage lockout (UVLO), overload protection (OLP), over temperature protection (OTP), open loop protection (OCkP), and over voltage protection (OVP). The variable switching frequency method on the MP023 also provides a natural spectrum for shaping a smooth EMI signature, which is suitable for offline, low-power battery chargers and adapters.
The MP023 requires a minimal number of readily available, standard, external components and is available in a SOIC8-7A package.